Назначение
Переключатель фаз автоматический PF-452 предназначен для повышения надежности питания однофазных потребителей. Применяется там, где необходимо непрерывное питание напряжением, не выходящим за пределы допустимых норм, например в холодильных установках и кондиционерах воздуха, компьютерной сети, кабельном телевидении, системах безопасности и т.д.Принцип работы
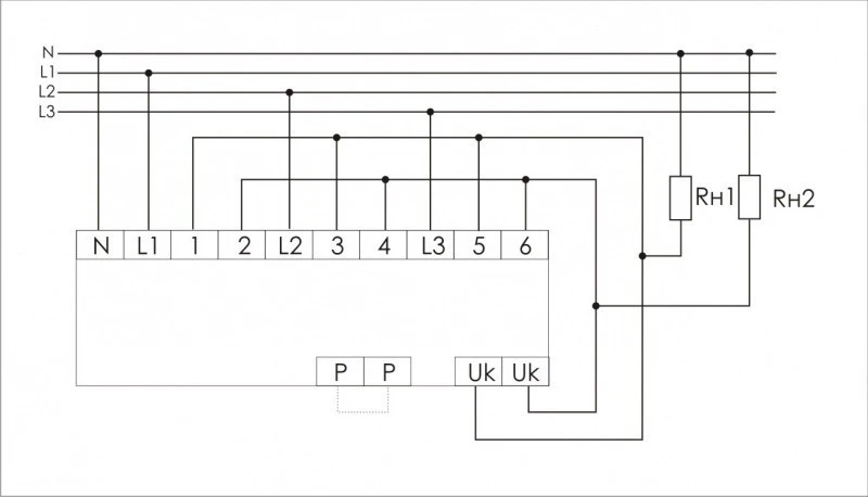
К переключателю подведено 3-х фазное напряжение питания, а на выходе 2-е фазы подключенные в данный момент. Электронная схема переключателя контролирует напряжение на выходе, и как только оно выходит за пределы установленных значений, выход переключателя подключается к другой входной фазе. Порог переключения нижний (150-210В) и верхний (230-270В) устанавливаются потребителем при помощи потенциометров на передней панели переключателя.
Внимание!
Переключатель фаз автоматический PF-452 не имеет приоритетной фазы, т. е., в случае понижения (пропадания) напряжения в фазе L1 он переключит выход на фазу L2, но восстановление напряжения в фазе L1 не вызовет переключение на эту фазу.
Наличие перемычки [P] запрещает подключение обоих выходов к одной фазе. Таким образом при наличии только одной фазы на входе, будет подключен только выход R1.






Загрузить







Отзывы
Отзывов пока нет.